四款全对称ocl功放电路设计原理图详解
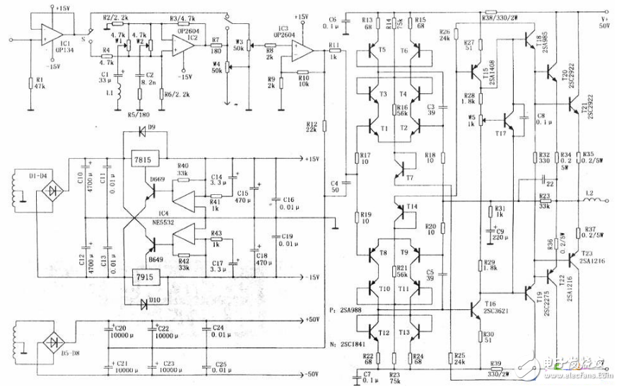
全对称ocl功放电路图(一)
根据实物绘出原理图下图所示。要注意的是图中只画出了一个声道,另一声道与此完全相同,电源为两通道公用。该功放板前级设计不俗,IC1选用了当今顶级单运放OP134作为信号缓冲。OP134失真小于0.00008%.噪声低于8nV/Hz,用它作前级缓冲级的电压跟随器,可将噪声减至最低,以满足HI-FI功放的苛刻要求。前级音调网络设计不同寻常,由lC2、W1、C1、L1等组成低音调控电路;由IC2、W2、C2、R5等组成高音调控电路。W4为左、右通道平衡电位器,W3为音量电位器。因此,该板音调网络低音力度好、高音清脆、层次丰富。加之它采用了久用不衰的极品运放OPA2604,所以噪声低、信噪比高、具有良好的选频特性。IC3作为该功放电压放大级,放大倍数约6倍,同样采用了OPA2604,因此不但噪声低、保真度高,而且可与任何后级接驳。为了满足那些喜欢返朴归真、崇尚真正音乐的发烧友,该线路板还设置了直通开关,以高保真地还原原汁原味的音频信息。

末级功率放大级为全对称OCL电路,它把差动放大、激励、复合功率放大等以全对称互补形式设计,因此工作点十分稳定、对称性好、保真度高,难怪开机时听不到冲击电流声。
T1、T2和T8、T9为差动放大输入级,T7、T14是它们的恒流源。T3、T4和Tl0、T11是增阻电阻,用以提高信噪比和内阻。T5、T6和T12、T13是一对电流镜。T3、T5及Tl0、T12可降低T15、T16因饱和过载而引起的削波失真。T15、T16是正负电压放大管,T17是偏流及温度补偿管。
从图中可以看出,功率放大器选用了一些发烧名管,如前级的2SA988/2SC1841(120V、50mA、0.5W、100MHz)和2SC3621/2SA1408(150V、1.5A、15W、140MHz)等。推动级C2275/A985着名低噪声发烧对管,主要参数150V、15A、25W、200MHz。
而末级输出的两对功率管则为三肯皇牌对管2SC1216/C2922(180V、17A、200W、60MHz),因此实现2x150W轻而易举。
电源设计也独具匠心,用两对红宝石10000μF电解为功放级提供了源源不断的能源。前级则采用松下改进型伺服电源提供运放用的土15V电压。这也是OP134、OP2604最理想的电压范围,对整机出色的发挥起到了一定作用。
有兴趣的话按图制作,几乎不需复杂的调试即能正常工作。需注意的是功率放大对管耍严格配对,最好精度达±1%。除图中标注的电阻功率外,其它电阻全部选用114W五色环金属膜电阻。R34.R37最好选用无感电阻,精度控制在±3%之内。无极性电容以MKP、MKT最佳。电位器的选择至关重要,普通电位器噪声大、平衡度差,最好选择ALPS精密电位器。
装配检查无误后,调整W5使输出管中点电位为0,即可正常工作。
全对称ocl功放电路图(二)
如图所示是一款采用全互补对称电路驱动方式的OCL功放,分离元件结构,适合电子爱好者对功放电路制作的深入实践学习。OCL电路是中档功放用得较多的一种功放电路,具有对称性好,频响宽阔,结构简单等特点。其失真度虽不是特别低(0.03%左右)但电路的转换速率、TIM失真等动态指标却相当好。因而音质很好,是制作家用高保真功放的首选电路。
电路的第一级采用互补对称差分电路,每管的静态工作电流约1mA,选用优质低噪声互补管2SC1815、2SA1015作互补差分对管,有较低的噪声和较高的动态范围。第二级电压放大采用互补推挽电路,采用高互补对管A180、C180,工作电流约5mA,两管集电极串接的二极管和电阻为缓冲级提供约1.6V的偏置电压。两只互补中功率对管TIP41C、TIP42C构成射随器缓冲驱动级,增设射随器缓冲驱动级是现代OCL电路的主要特点之一,它主电压放大级具有较高的负载阻抗,有稳定而较高的增益。同时它又为输出级提供较低的输出内阻,可加快对输出管结电容Cbe的充电速度改善电路的瞬态特性和频率特性。

该级的工作电流也取得较大,一般为(10-20)mA,个别机型甚至高达100mA,与输出级的静态电流差不多,可使输出级得到充分驱动。其发射极电阻采用了悬浮接法(不接中点),可迫使该级处于完全的甲类工作状态,同时又为输出级提供了偏置电压。输出级为传统的互补OCL电路,采用了FT高达60MHz的三肯大功率互补对管C2922、A1216,静态电流约为100mA。输出端与输入级反相输入端接有环路负反馈网络,并将电路增益设定为31倍。
全对称ocl功放电路图(三)
由于OCL功放电路优越的性能和较高的稳定性和可靠性,长期以来被各生产厂家广泛采用。但在使用中由于种种原因经常出现烧毁攻放管、复合管及电阻等元件的现象。因OCL电路是直接耦合,电路前后相互牵扯,在维修判断故障时存在一些难度。经常造成反复烧管的现象,给维修带来不必要的损失,使不少维修工望而却步。下面是我多年来维修攻放的经验总结,写出来供大家参考,希望能对你有所帮助并为你减少不必要的损失。常见的OCL功放电路如下图所示:

图中Q6、Q7、Q8、Q9、Q10及R12、R13、R14经常同时烧毁。在维修时不要盲目的更换上述元件后就通电,因为此时故障可能没有彻底排除,可能会再次烧毁。应仔细检查前面的管子及电阻等元件是否损坏,W1是否开路或阻值变大等。然后再采取下面的方法更安全稳妥:将新的测量过的Q6、Q7、Q9、R12、R13、R14焊好,而Q8和Q10功放管,集电极先不要焊接(这一点非常重要),只焊接基极和发射极,以保证直流负反馈构成回路(否则差分对管不正常工作),以防止由于输出不平衡时烧毁功放管。这时一定不要接扬声器。通电检测输出端的静态对地电压,正常值为0V≤±20mV,越小越好。如偏差较大应立即关机,重新仔细检查。若测得输出电压正常时,再测量Q7和Q9基极间的电压,预调W1使其在1.5—2V之间。确认以上电压全都符合要求,再将Q7、Q9的集电极焊好,电调整W1测量功放电路部分的总电流应为25~30mA(或功率管集电极电流~20mA)。即可接上扬声器试机(注意在接扬声器前要仔细检查其好坏,以免再次烧毁)。
另外,如果输出端的静态电压偏差大于50mV时,要重点检查Q1、Q2是否配对(两管放大系数应基本相等,误差要小于5%),R4、R5是否变值,重新配对和更换电阻后可排除故障。
有些功放经常莫名其妙的烧毁,几次修复都用不了多长时间。其原因大多是印刷电路布线不合理,电源线没有按照由后向前的原则布线,使电路在大音量输出时产生寄生振荡,严重时就会烧毁攻放。应按照电流由后向前的原则,重新切割布线后面的线要尽量粗短。之后才可照上述方法进行换管和修复。
全对称ocl功放电路图(四)

图示是中宝(ZBO)KB-18A功放的右声道功率放大电路。
该功放采用全对称式OCL电路,使功率放大器的性能得到了进一步的提高。它除了采用复合管、恒压/温度补偿等措施外,还把OCL电路里的差分输入、激励、功率放大三级电路都设计成互补对称形式,充分发挥了NPN型和PNP型三极管能够互补工作的优点,让信号从输入到输出均处于推挽放大之中,使电路获得了很好的稳定性和保真度。
电路中,Q3、Q4构成NPN差分放大器,Ql、Q2构成PNP差分放大器,它们共同组成互补对称的差分输入放大级。R32~R40组成输入级的偏置电路,其中R35~R38为各管发射极的电流负反馈电阻;Q5、Q6分别为其恒流源,用来稳定工作点,保证电路-工作的稳定。R33、R34,R39、R40为差分管的集电极负载电阻。
Q7、Q6构成单端推挽电压放大级,并作为功率放大级的激励级,提供足够的电压增益。
Ql0、Qll为功率放大的推动管,Ql0与Q13组成NPN复合管.Qll与Q12组成PNP复合管,以获得高放大倍数,这两组复合管构成功率输出级。
Q9、R48、W2、R49组成输出级的基极恒压偏置电路,为输出级提供适当的偏置电压。调节W2,可以调整功放管的静态工作点,即可以使功率管工作在甲类、甲乙类、乙类工作状态,本电路工作在甲乙类啊作状态。另外,还利用三极管的温度特性,把Q9安装在功放管旁,使偏置电压得到适当的温度补偿,保证电路稳定地工作。
R41、R42和C36、C37构成负反馈电路,决定整机的闭环增益。C37为交流负反馈提供通路;C36接在反馈电阻R41两端,是相位补偿电容,用来超前补偿,以抑制I乜路自激振荡。
C32用于限制输入信号的通频带,旁路无用的音频范围以外的高频信号,抑制高频杂波。C35、C33分别跨接在Q7、Q8的c、b极间,是消振电容(也称中和电容),用来抑制电路振荡、进行相位补偿,以消除高频自激振荡。R57、C38组成扬声器阻抗补偿电路,用以抵偿扬声器的感抗成分,使放大器的负载接近纯电阻,保证放大器稳定地工作。
信号流程:当输入的音频信号处于“正半周”时,Q3导通、Ql截止,“正半周”信号经Q3、Q4差分放大后,从Q3集电极直接耦合给Q7的基饭,经Q7放大到足够的幅度,激励Qlo和Q13输出正半周的功率信号。同理,当输入的爵频信号处于“负半周”时,Ql导通、Q3截止,“负半周”信号经Ql、Q2.Q8放大,激励Qll和Q12输出负半周的功率信号。级问直流负反馈从输出端通过R41反馈到Q4,Q2的基极;交流负反馈则从输出端通过R41和R42分压后,再反馈给Q2、Q4基极。


